💡 Multiplexer란 무엇인가?
n개의 입력을 받으면 n개의 입력중 1개를 출력을 하는 회로
2 x 1 Mux
- 2개의 입력중 하나만 선택해서 출력하는 것
- S의 값에 따라 어떤 입력을 선택할지 결정된다.
- 2^n개의 입력이 있다면 n개의 S가 필요하다.

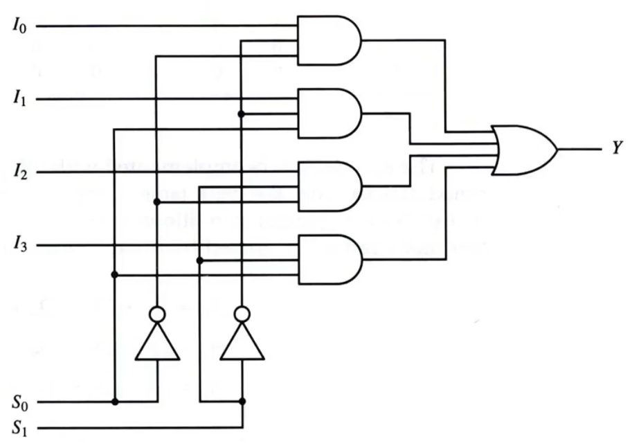
4 x 1 Mux
- 4개의 입력중 하나만 선택해서 출력하는 것
- S는 2개가 필요하다. S0, S1


(a)는 4 x 1 Mux의 심볼, (b)는 4 x 1 Mux의 Funtion Table이다.
Quadruple 2 to 1 line Mux
: 형태는 2 x 1 Mux (A, B -> Y)이지만 하나의 입력 또는 출력에 4개의 또다른 입력 또는 출력이 있는 Mux

Enable이 1이고, Select가 0이면 A0, A1, A2, A3가 Y0, Y1, Y2, Y3로 연결된다.
Enable이 1이고, Select가 1이면 B0, B1, B2, B3가 Y0, Y1, Y2, Y3로 연결된다.
'2학년 2학기 > 컴퓨터 구조' 카테고리의 다른 글
| 2.6 Binary Counters(1) - 4-bit synchronous binary counter (0) | 2024.09.29 |
|---|---|
| 2.4 ~ 2.5 Registers ~ Shift Registers (0) | 2024.09.29 |
| 2.2 Decoders와 Encoders - 입력들의 조합으로 출력값 도출 (0) | 2024.09.28 |
| 2024.09.25 - ch1관련 문제 (0) | 2024.09.26 |
| 1.7 Sequential circuit - 순차회로의 설계 (0) | 2024.09.22 |