💡 Counter란 무엇인가?
카운터도 레지스터이다.
이진 값을 저장한다는 것에서 같은 레지스터이지만 카운터는 정해진 상태를 반복하게 되는(Sequence) 레지스터이다.
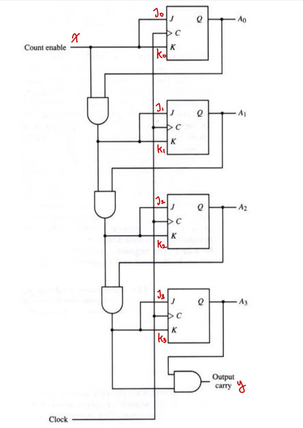
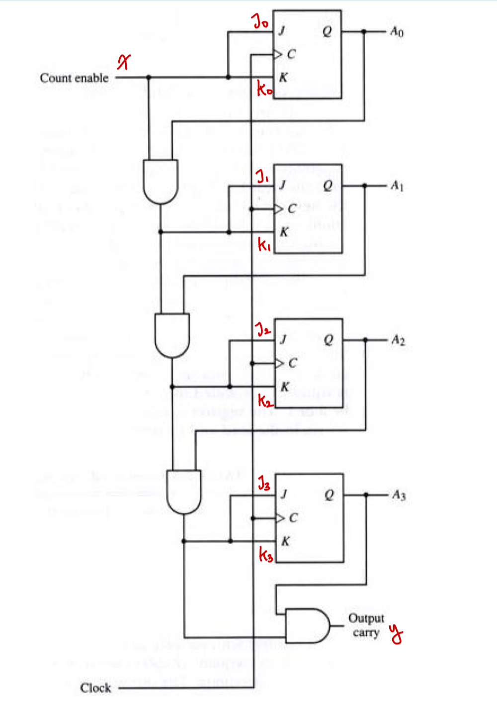
4-bit synchronous binary counter
: 0부터 15까지의 이진수를 클럭 신호에 맞춰 차례로 셀 수 있는 회로

위의 회로를 분석해보자.
분석 순서는 'Function 찾기 -> State table 작성하기 -> State Diagram 작성하기' 이다.
1. Function 찾기
J(0) = K(0) = X
J(1) = K(1) = X * A(0)
J(2) = K(2) = X * A(0) * A(1)
J(3) = K(3) = X * A(0) * A(1) * A(2)
Y = X * A(0) * A(1) * A(2) * A(3)
2. State table 작성하기




3. State Diagram 작성하기

'2학년 2학기 > 컴퓨터 구조' 카테고리의 다른 글
| 2.7 Memory units (0) | 2024.09.29 |
|---|---|
| 2.6 Binary Counters(2) - Binary counter with parallel load (1) | 2024.09.29 |
| 2.4 ~ 2.5 Registers ~ Shift Registers (0) | 2024.09.29 |
| 2.3 Multiplexers(Mux) - 입력들 중 Select로 하나 선택 (0) | 2024.09.28 |
| 2.2 Decoders와 Encoders - 입력들의 조합으로 출력값 도출 (0) | 2024.09.28 |