💡 Decoder란 무엇인가?
n개의 입력을 받아 서로 다른 m개의 출력하는 회로 (n x m decoder 또는 n - to - m line decoder라고 불린다)
일반 적으로 n - to 2^n line 디코더가 많다.
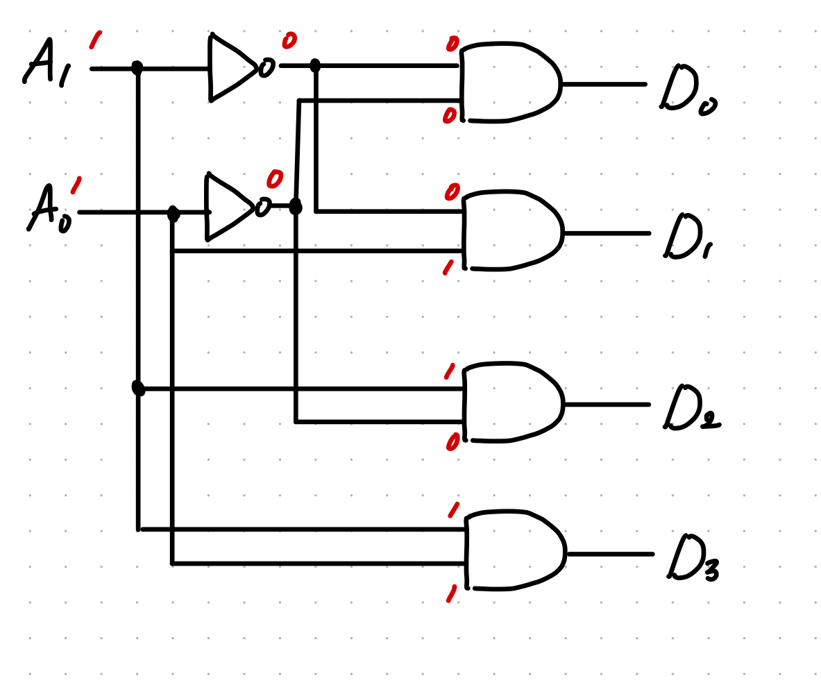
2 x 4 Decoder
우선 2 x 4 Decoder의 진리표를 작성해보겠다.
아래와 같이 각 입력에 대해서 서로 다른 출력을 구성한다.
[ 진리표 ]

이제 이 진리표를 기반으로 회로도를 만들어보자.
[ 회로도 ]


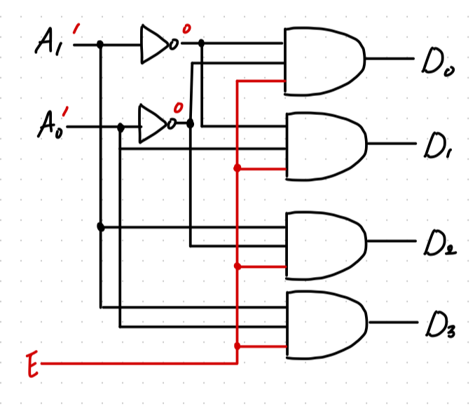
경우에 따라 Enable Signal을 추가할 수 있다.
Enable Signal이 있는 2 x 4 Decoder
💡 Enable Signal이란?
디지털 회로에서 특정 회로의 작동을 허가하거나 금지하는 신호를 의미한다. 쉽게 말해 회로의 스위치 역할을 한다.
💡 왜 Enable Signal을 사용하는건가?
시스템에서 불필요한 전력 소비를 줄이고, 회로를 제어하거나 특정 시점에서만 작동하게 하기 위해서이다.
Enable Signal이 있는 2 x 4 Decoder의 진리표를 작성해보자.
[ 진리표 ]

이를 바탕으로 회로도 만들어보자.
[ 회로도 ]


이렇게 E의 값에 따라 0이면 모든 출력 값이 0이되고 1이라면 동작하는 형태가 만들어진다.
Active - Low로 동작하는 디코더
위에서는 Enable Signal이 1일 때 작동하고, D는 1개만 1이고 나머지는 0이었는데 이 경우를 Active - Low로 동작하는 디코더라고 한다.
아래는 진리표와 회로도이다.


3 x 8 Decoder
2 x 4 Decoder처럼 진리표를 작성하면 아래와 같이 나타낼 수 있다.
[ 진리표 ]

[ 회로도 ]


경우에 따라 Enable Signal을 추가할 수 있다.
Enable Signal이 있는 3 x 8 Decoder
Enable Signal가 있는 3 x 8 Decoder의 진리표와 회로도는 아래와 같다.
[ 진리표 ]

[ 회로도 ]

3 x 8 Decoder = 2개의 2 x 4 Decoder
Enable Signal이 없는 3 x 8Decoder를 아래와 같이 추출하면 빨간색, 초록색 총 2개의 2 x 4 Decoder가 있다는 사실을 알 수 있다.

그렇다면 2 x 4 Decoder로 3 x 8Decoder을 어떻게 만들 수 있을까?
A2가 0일 때는 빨간색 2 x 4 Decoder가 작동되고, A2가 1일 때는 초록색 2 x 4 Decoder가 작동하게 만들면 된다.
회로도를 만들어보면 아래와 같다.

Encoders
2^n개의 입력로 n개의 출력을 하는 회로이다.
Decoder의 반대라고 알고 있으면 된다.
[ 8 x 3 Encoder의 진리표 ]

'2학년 2학기 > 컴퓨터 구조' 카테고리의 다른 글
| 2.4 ~ 2.5 Registers ~ Shift Registers (0) | 2024.09.29 |
|---|---|
| 2.3 Multiplexers(Mux) - 입력들 중 Select로 하나 선택 (0) | 2024.09.28 |
| 2024.09.25 - ch1관련 문제 (0) | 2024.09.26 |
| 1.7 Sequential circuit - 순차회로의 설계 (0) | 2024.09.22 |
| 1.7 Sequential circuit - 순차회로의 분석 (0) | 2024.09.22 |